欢迎来到泰兴市航宇接插件有限公司企业官网 - 公司为电连接器、航空插头、航空插座专业提供商!

咨询热线:

159-6100-0501

产品展示 您当前的位置:首页 > 产品展示 > 高密度小圆形连接器 > GJB599III系列(MLL-DTL-38999III系列)
GJB599III系列(MLL-DTL-38999III系列)
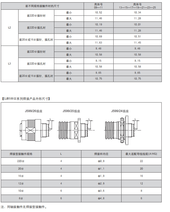
* 符合GJB599A(MIL-DTL-38999K)Ⅲ系列
* 三头螺纹快速连接,并带防松脱机构
* 体积小,重量轻,接触偶密度高
* 具有电磁屏蔽功能
* 接触件压接可取卸,防斜插设计
* 具有防火壳体、复合材料壳体、铝合金壳体和多种镀层
* 具有高温下的高强度振动特性,能适合在恶劣的风砂和潮湿的场合下使用
全国热线

159-6100-0501

详细说明








相关产品
  • GJB599系列高密度超小型(JYS)

    MORE >
  • GJB599IV系列(MLL-DTL-38999IV系列)连…

    MORE >
  • GJB599III系列(MLL-DTL-38999III系列…

    MORE >