欢迎来到泰兴市航宇接插件有限公司企业官网 - 公司为电连接器、航空插头、航空插座专业提供商!

咨询热线:

159-6100-0501

产品展示 您当前的位置:首页 > 产品展示 > 高密度小圆形连接器 > GJB599系列高密度超小型(JYS)
GJB599系列高密度超小型(JYS)
* 高密度超小型设计,重量轻而机械强度大
* 铝合金壳体
* 适合在极小的使用空间中使用
* 快速卡口连接
* 接触件压接可取卸
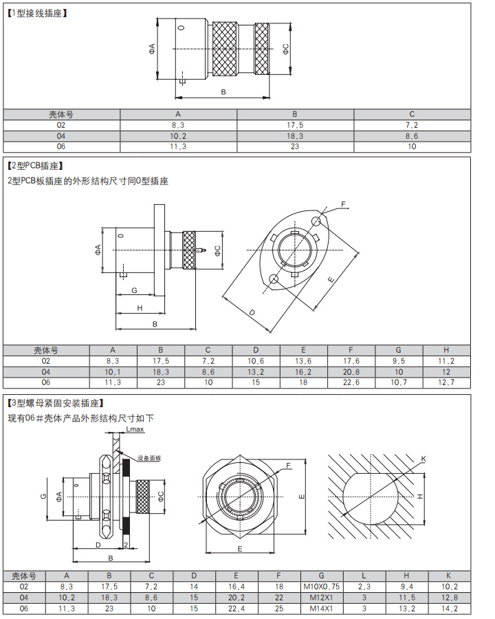
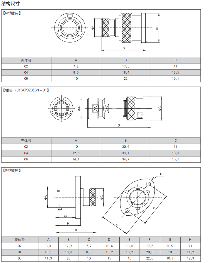
* 2#、4#、6#共3种壳体号
全国热线

159-6100-0501

详细说明





相关产品
  • GJB599系列高密度超小型(JYS)

    MORE >
  • GJB599IV系列(MLL-DTL-38999IV系列)连…

    MORE >
  • GJB599III系列(MLL-DTL-38999III系列…

    MORE >